|
|
|
 |
 |
 |
 |
KLEINE AUSSTELLUNG "HISTORISCHE BÜROTECHNIK" |
 |
Neya
|
Seltene kleine deutsche Schreibmaschine.
Erscheinungsjahr: 1925
>>
|
|
|
|
|
|
|
|
|
|
|
Namensgeber der "Neya" war die Metallwarenfabrik A. Ney in Berlin, die zuvor bereits die "Helios-Klimax" hergestellt hatte. Eine am Segment der "Neya" befindliche Aufschrift "Fabrikat S. Roeder - A. Ney" weist auf zwei Beteiligte hin. Nach Dingwerth, "Die Geschichte der deutschen Schreibmaschinenfabriken", Band 2 (Verlag Kunstgrafik Dingwerth GmbH, Delbrück 2008) handelte es sich bei S. Roeder und A. Ney um zwei offene Handelsgesellschaften mit Sitz in Berlin (gegründet 1872 bzw. 1888), deren Gesellschafter identisch waren. Ursprünglicher Gegenstand der beiden Unternehmen war insbesondere die Herstellung von Stahl-Schreibfedern bzw. von Federhaltern und ähnlichen Utensilien für das Büro.
Die "Neya", die im Jahr 1925 auf den Markt kam, war eine Kleinschreibmaschine, die, anders als die "Helios-Klimax", mit Typenhebeln arbeitete. Sie hatte ein dreireihiges Tastenfeld mit 30 Tasten. Mittels doppelter Umschaltung konnten 90 Zeichen im Vorderaufschlag zu Papier gebracht werden.
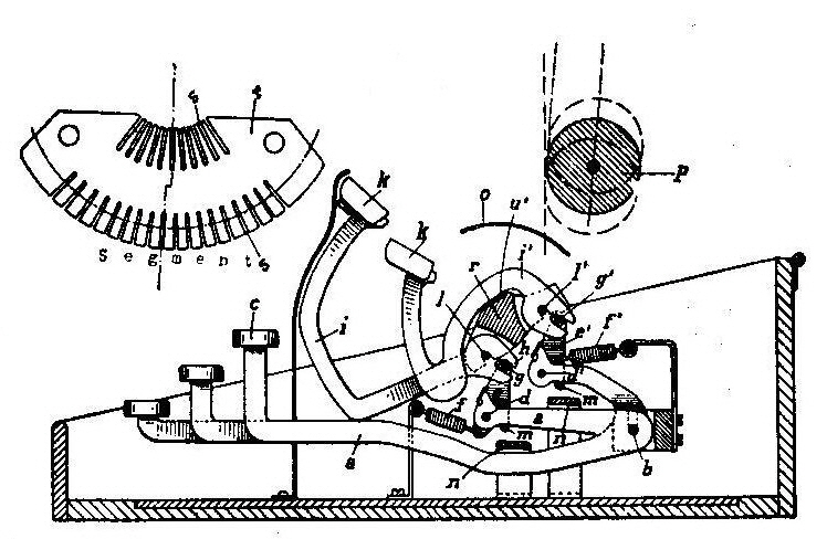
Das erste Modell der "Neya" erfunden von Arpad Krejniker, Berlin, hatte ein geteiltes Segment, das zur Führung der Typenhebel unten mit 18 und oben mit 11 Schlitzen versehen war. Es waren daher Typenhebel in zwei verschiedenen Ausführungen notwendig. Wieviele Maschinen dieser Ausführung verkauft wurden, ist nicht bekannt; eine große Anzahl dürfte es nicht gewesen sein.
Zeichnung unten: Segment u. Querschnitt der frühen "Neya".
|
|
|
|
|
|
Später wurde die "Neya" dann mit einem herkömmlichen Segment versehen, bei dem einheitliche Typenhebel verwendet wurden, die sämtlich durch Schlitze am unteren Segmentteil geführt wurden (Abbildung unten).
|
|
|
|
|
|
Die Maschine war für ein zweifarbiges Farbband vorgesehen. Sie hatte ein Gewicht von 4,750 kg und wurde für 190 Mark angeboten.
Die Seriennummern für die "Neya" wurden ab Produktionsbeginn zunächst von 1 bis 1500 vergeben, anschließend wurde, vermutlich um den mäßigen Absatz nicht aufscheinen zu lassen, die Numerierung mit 31501 bis etwa 33000 fortgesetzt, dann wurde die Produktion eingestellt. Insgesamt wurden somit nur maximal 3.000 Maschinen hergestellt, so daß die "Neya" heute nur noch selten erhalten ist.
|
|
|
|
|
|
Maschinendaten: Bezeichnung: Neya Technik: Typenhebelmaschine mit Vorderaufschlag u. doppelter Umschaltung Erscheinungsjahr: 1925 Hersteller: A. Ney, Metallwarenfabrik, Berlin (Fabrikat S. Roeder - A. Ney) Seriennummer: 32542
- - - Weitere Maschinen von A. Ney: Helios-Klimax. - - -
Nächste Maschine>
Übersicht Schreibmaschinen >
|
|
|
Quellen: Martin, Die Schreibmaschine und ihre Entwicklungsgeschichte, Verlag Johannes Meyer, Pappenheim, 5. Aufl. 1934; Handbuch der Büro-Maschinen, Union Deutsche Verlagsgesellschaft, Berlin 1928; the typewriter database, www.tw-db.com 2006; Dingwerth, Die Geschichte der deutschen Schreibmaschinenfabriken, Band 2, Verlag Kunstgrafik Dingwerth GmbH, Delbrück 2008
(063S300120-0406-15.04.2006-0807-0508-0423)
|
|
|
- Sammlung Arnold Betzwieser -
|
|
|
|
(1113-2-4556)
|
|
|
|
|